咨詢熱線
15662431777
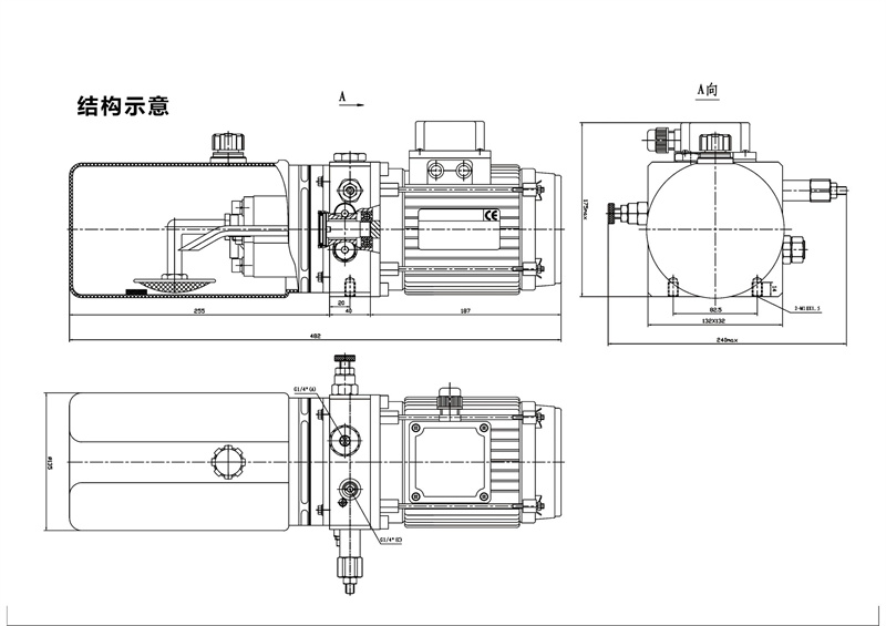
固定式登車橋電動液壓高度可任意調節 ,提高裝卸效率的液壓固定式登車橋,采用全液壓驅動,操作方便運行可靠。唇板與平臺采用整長軸連接,強度高、可靠性好。用進口整體模塊式液壓站,密封性好,使用壽命長。
15662431777
固定式登車橋電動液壓高度可任意調節 ,提高裝卸效率的液壓固定式登車橋,采用全液壓驅動,操作方便運行可靠。唇板與平臺采用整長軸連接,強度高、可靠性好。用進口整體模塊式液壓站,密封性好,使用壽命長。
適用范圍
裝卸頻繁、企業、倉庫、車站、碼頭、倉儲物流基地、郵政運輸、物流配送等單位的貨物裝卸。
























產品視頻
產品規格





